Разъединители переменного тока на напряжение 10 кВ внутренней установки серии PB и PB3 предназначены для включения и отключения под напряжением участков электрической цепи высокого напряжения при отсутствии нагрузочного тока и устанавливаются в сетях переменного тока частоты 50 Гц напряжением до 10 кВ с изолированной или компенсированной нейтралью.
Приводы ручные рычажные ПР предназначены для управления главными и заземляющими ножами разъединителей PB и PB3 и устанавливаются как с правой, так и с левой стороны.
Примечание – При оформлении заказа необходимо указывать сторону расположения привода.
Разъединители используются в шкафах комплектных распределительных устройств (КРУ), камерах стационарных одностороннего обслуживания (КСО), комплектных трансформаторных подстанциях (КТП) и других электротехнических распределительных устройствах.
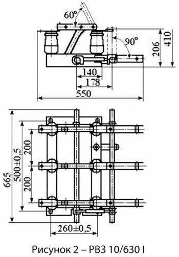
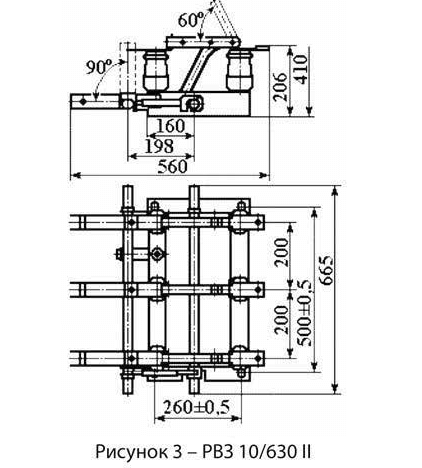
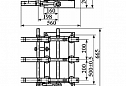
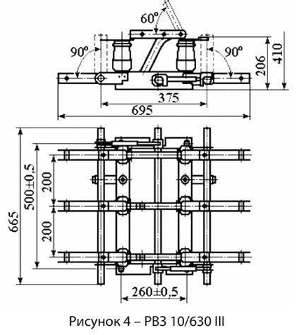
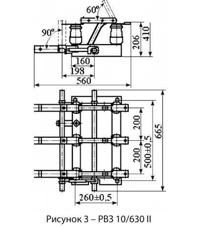
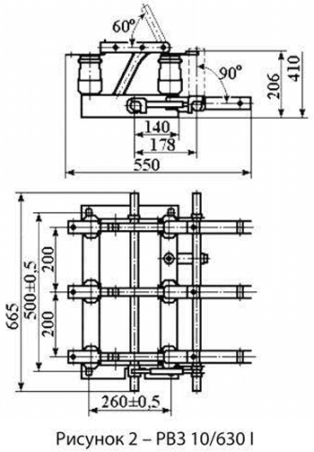
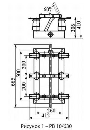
Габаритные и установочные размеры разъединителей приведены на рисунках 1-4.
Вид климатического исполнения – УЗ по ГОСТ 15150-69.
Степень защиты – IP00 по ГОСТ 14254-96.
Условия эксплуатации:
- наибольшая высота над уровнем моря – не более 1000 м;
- рабочий диапазон температуры окружающей среды: от минус 45 до плюс 40 0С;
- тип атмосферы – II по ГОСТ 15150-69;
- разъединители не предназначены для установки и эксплуатации в сейсмоопасных, взрывоопасных и пожароопасных зонах;
- рабочее положение – вертикальное, допускается отклонение от вертикального положения до 50 в любую сторону.
Средний срок службы разъединителей – 25 лет.
Гарантийный срок эксплуатации – 5 лет со дня ввода разъединителей в эксплуатацию, при соблюдении условий транспортирования, хранения и эксплуатации.
В комплект поставки входят:
- разъединитель с приводами – 1 компл., в том числе приводы: для PB 10/630 – 1 шт; для PB3 10/630 I и PB3 10/630 II – 2 шт; для PB3 10/630 III – 3 шт;
- детали для сочленения приводов с главными и заземляющими ножами (исполнение для камер КСО-394) – поставляются по отдельному заказу;
- паспорт;
- руководство по эксплуатации.
Основные параметры разъединителей
| Наименование параметра | Значение параметра |
|---|---|
|
Номинальное напряжение, кВ Наибольшее рабочее напряжение, кВ Номинальный ток, А Номинальный ток электродинамической стойкости к токам короткого замыкания, кА Ток термической стойкости в течение 1 с, кА Механическая износостойкость, циклов, включение – произвольная пауза – отключение Масса, кг, не более:
|
10 12 630 40 16 2000 24 30 30 35 |
