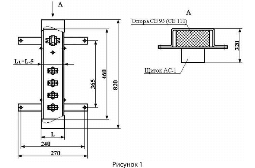
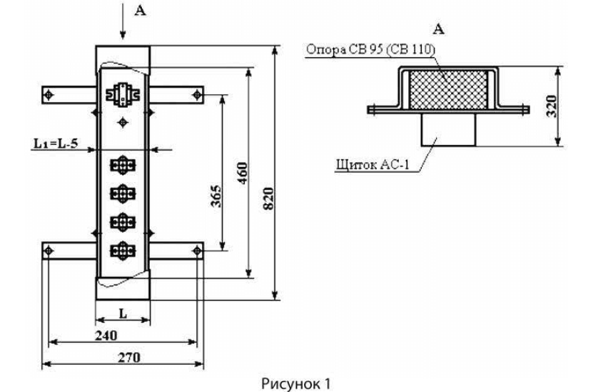
Щитки мачтовые к опоре АС-1 предназначены для запитки светильников уличного освещения.
Щитки АС-1 устанавливаются и крепятся на железобетонных опорах трапециидального сечения СВ 95 и СВ 110.
Условия эксплуатации:
- наибольшая высота над уровнем моря - не более 1000 м;
- рабочий диапазон температуры окружающей среды: от минус 45 до плюс 40 °С;
- тип атмосферы - II по ГОСТ 15150-69;
- щитки АС-1 не предназначены для установки и эксплуатации в сейсмоопасных, взрывоопасных и пожароопасных зонах;
- рабочее положение – вертикальное.
Степень защиты - IP41 по ГОСТ 14254-96.
Вид климатического исполнения - У1 по ГОСТ 15150-69.
В комплект поставки входят:
- щиток АС-1–1 шт, в том числе: узел крепления щитка к опоре – 2 компл.;
- паспорт;
- эксплуатационные документы на комплектующую аппаратуру, при условии поставки их изготовителем.
Средний срок службы щитков АС-1 - 20 лет.
Габаритные размеры щитков АС-1 приведены на рисунке 1
